Wiper seal SDR -35
Mã sản phẩm:
SDR -35
Phí vận chuyển:
Tính phí khi thanh toán
Mô tả ngắn
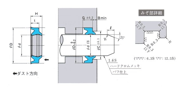
● Wipers should be installed in the direction specified in the above schematic.
● Consider adopting divided grooves if one-piece groove is technically adverse.
● Refer to the dimension as it

Hỗ trợ trực tuyến
Hotline/Zalo/Viber: 0946 265 720
